fuzzy controller inductin motor
Motors have many applications in the industries. This paper presents an intelligent speed control system based on fuzzy logic for an induction motor drive.
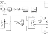
The fuzzy logic controller is implemented using the Field Oriented Control technique as it provides better control of motor speed. The motor model is designed and membership functions are chosen according to the parameters of the motor model.
Cita come
Nguyen Thanh Sang (2025). fuzzy controller inductin motor (https://it.mathworks.com/matlabcentral/fileexchange/68377-fuzzy-controller-inductin-motor), MATLAB Central File Exchange. Recuperato .
Compatibilità della release di MATLAB
Compatibilità della piattaforma
Windows macOS LinuxCategorie
Tag
Community
Community Treasure Hunt
Find the treasures in MATLAB Central and discover how the community can help you!
Start Hunting!Scopri Live Editor
Crea script con codice, output e testo formattato in un unico documento eseguibile.
| Versione | Pubblicato | Note della release | |
|---|---|---|---|
| 1.0.0 |
