Continuous Current Mode (CCM) Meter
Versione 1.0.1 (30,7 KB) da
Razman Ayop
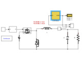
The meter detect whether the converter operates in the continuous of discontinuous current modes. Importance for chopper / DC-DC converter
When it comes to power electronics, DC-DC converter like buck converter, boost converter, and buck-boost converter commonly operates in continuous current mode. However, the Simulink Library does not provide the meter that can detect the continuous current mode operation. The common ways is to use the scope and check the current at the inductor to determine whether the current touch zero or not. This meter will detect it automatically and allows earlier analysis in determine whether the operation is continuous current mode or discontinuous current mode.
Cita come
Razman Ayop (2025). Continuous Current Mode (CCM) Meter (https://it.mathworks.com/matlabcentral/fileexchange/88857-continuous-current-mode-ccm-meter), MATLAB Central File Exchange. Recuperato .
Compatibilità della release di MATLAB
Creato con
R2019b
Compatibile con qualsiasi release
Compatibilità della piattaforma
Windows macOS LinuxTag
Community Treasure Hunt
Find the treasures in MATLAB Central and discover how the community can help you!
Start Hunting!Scopri Live Editor
Crea script con codice, output e testo formattato in un unico documento eseguibile.