layer
Description
A layer refers to an individual sheet of material – either conductive metallic (such as copper) or insulating (such as fiberglass) – making up the structure of a PCB. The layers are sandwiched together.
Create a layer object
Creation
Syntax
Description
Input Arguments
Specified as a pdbFileRead object.
Example: layerobj = layer(filename,1) creates
alayer object from filename and
LayerNumber set to 1.
Data Types: string
Specified as an integer.
Example: layerobj = layer(filename,2) creates a
layer object from filename and
LayerNumber set to 2,
Data Types: int8
Specified as a string.
Example: layerobj = layer(filename,gndlayer) creates a
layer object from filename and
LayerName set to gndlayer.
Data Types: string
Properties
Create a layer object with optional filtering on pcb entity type,
or all entities.
Example: layerobj = layer(filename,1,Type='Pins') creates a
layer object filtering on entity Type
'Pins'.
Data Types: string
This property is read-only.
Height of the layer from the pcb bottom in inches.
Example: 0.0184
Data Types: double
This property is read-only.
Number of surfaces in a layer.
Example: 1
Data Types: int8
This property is read-only.
Number of traces in a layer.
Example: 3
Data Types: int8
This property is read-only.
Number of vias passing through the layer
Example: 2
Data Types: int8
This property is read-only.
Number of pins in a layer.
Example: 2
Data Types: int8
This property is read-only.
Entities of the layer.
Data Types: struct
Examples
This example shows how to read an Allegro file and create a pcbFileRead object. After this the following opertations will be executed:
Create layer, cadnet, padstack, part, and component objects form the pcbFileRead object
Create a powerDistributionNetwork object from the cadnet object
Set the properties of the powerDistributionNetwork object for voltage and current density anlysis
Analyse and visualize the voltage and current density
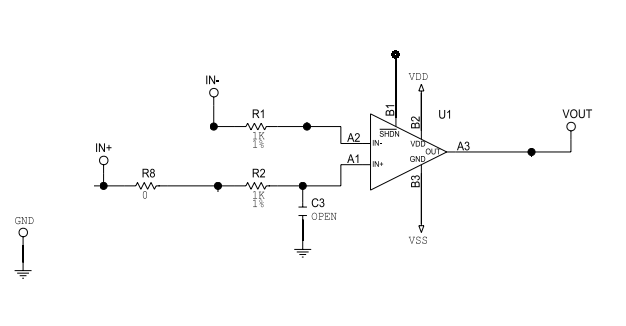
Here is the circuit:

Here is the pcb layout:

Read file
Read a native format Allegro file and look at the propeties of the pcb
pfile = pcbFileRead('native_ExampleBoard_Allegro')pfile =
pcbFileRead with properties:
FileName: 'native_ExampleBoard_Allegro'
NumLayers: 5
MetalLayer: [1 3 5]
DielectricLayer: [2 4]
LayerHeight: [0.0184 0.0104 0.0092 0.0012 0]
NumCadnets: 7
NumPadStacks: 6
NumComponents: 8
NumParts: 5
cadnetList(pfile)
ans=7×4 table
CadnetIdx CadnetName NumPins Length
_________ ___________________ _______ ______
1 {'Unconnected_Net'} 3 0
2 {'NET_OUTV' } 2 0.615
3 {'NET_GND' } 1 0.46
4 {'NET_IN22' } 2 0.645
5 {'NET_IN11' } 4 0.488
6 {'NET_INNEG' } 2 0.515
7 {'NET_INPOS' } 2 0.676
componentList(pfile)
ans=8×3 table
ComponentIdx ComponentName NumPins
____________ _____________ _______
1 {'OUT_V'} 1
2 {'U1' } 6
3 {'C3' } 2
4 {'R1' } 2
5 {'TP1' } 1
6 {'R2' } 2
7 {'IN_N' } 1
8 {'IN_P' } 1
partList(pfile)
ans=5×2 table
PartIdx PartName
_______ _______________
1 {'IOSINGLEPIN'}
2 {'IC6ANT' }
3 {'CAPGEN080' }
4 {'RESGENH40' }
5 {'RESGEN080' }
padStackList(pfile)
ans=6×2 table
PadstackIdx PadstackName
___________ ____________________
1 {'MHYCIRCLE009' }
2 {'MHYC012' }
3 {'MHYRECT46X59' }
4 {'MHYRECT80X60H40' }
5 {'VIA' }
6 {'MHYRECT46X59_TOP'}
stackUp(pfile)
ans=5×8 table
LayerNumber LayerName LayerType Material Thickness EpsilonR LossTangent Conductivity
___________ ______________ ______________ __________ _________ ________ ___________ ____________
1 {'TOP' } {'Signal' } {'COPPER'} 0.0012 1 0 5.96e+07
2 {'Dielectric'} {'Dielectric'} {'FR-4' } 0.008 4.5 0.035 0
3 {'LAYER2' } {'Plane' } {'COPPER'} 0.0012 1 0 5.96e+07
4 {'Dielectric'} {'Dielectric'} {'FR-4' } 0.008 4.5 0.035 0
5 {'BOTTOM' } {'Signal' } {'COPPER'} 0.0012 1 0 5.96e+07
Create layer object
Create and visualize a layer object
layerobj = layer(pfile,1,Type= 'All')layerobj =
layer with properties:
pcBoard: [1×1 pcbFileRead]
LayerNumber: 1
Type: "All"
LayerHeight: 0.0184
NumSurfaces: 1
NumPins: 14
NumVias: 4
NumTraces: []
EntityList: [1×1 struct]
show(layerobj)

Create a cadnet object
Create cadnet object and look at it data
cadobj = cadnet(pfile,'NET_IN11')cadobj =
cadnet with properties:
pcBoard: [1×1 pcbFileRead]
CadnetName: 'NET_IN11'
NumPins: 4
NumSurfaces: 2
NumVias: 4
NumTraces: 4
TotalLength: 0.4880
Voltage: 'NoDef'
LayerRange: [1 3 5]
EntityList: [1×1 struct]
figure show(cadobj)

Create a padstack object
Create a padstack object and look at its data
stackobj = padStack(pfile,'MHYC012')stackobj =
padStack with properties:
pcBoard: [1×1 pcbFileRead]
PadStackName: 'MHYC012'
PadType: 'Pin'
PadShape: 'Circle'
NumPads: 6
PadCenter: [6×2 double]
HoleDiameter: 0
PadDiameter: 0.0120
PinPadInfo: [6×8 table]
shapes(stackobj)
ans=6×1 cell array
{1×1 antenna.Polygon}
{1×1 antenna.Polygon}
{1×1 antenna.Polygon}
{1×1 antenna.Polygon}
{1×1 antenna.Polygon}
{1×1 antenna.Polygon}
Create a part object
Create a part object and look at its data
partobj = part(pfile,"IC6ANT")partobj =
part with properties:
pcBoard: [1×1 pcbFileRead]
PartName: 'IC6ANT'
NumComponents: 1
ComponentInfo: [1×7 table]
componentData(partobj)
ans =
component with properties:
pcBoard: [1×1 pcbFileRead]
ComponentName: 'U1'
PartName: 'IC6ANT'
ComponentType: 'IC'
NumPins: 6
Value: ''
Facement: 'TOP'
ComponentPinInfo: [6×7 table]
Create component object
Create a component object and look at its pin data
componentobj = component(pfile,'U1')componentobj =
component with properties:
pcBoard: [1×1 pcbFileRead]
ComponentName: 'U1'
PartName: 'IC6ANT'
ComponentType: 'IC'
NumPins: 6
Value: ''
Facement: 'TOP'
ComponentPinInfo: [6×7 table]
componentPinData(componentobj,1)
ans =
pinsData with properties:
PinShape: 'Circle'
PartNumber: 'IC6ANT'
Component: 'U1'
PinNumber: 'A3'
Value: ''
PadStack: 'MHYC012'
CadnetName: 'NET_OUTV'
StartLayer: 1
StopLayer: 1
Circular pin dimensions:
Center: [0.1010 0.2690]
Diameter: 0.0120
DrillHoleDiameter: 0
Create a power distribution network object
Create a power distribution network object from a cadnet object. After this the following operations can be performed:
Set up the the Network Parameters, DC Parameters, and DC Rules properties of the power distribution network for power integrity analysis
Analyse and visualize the voltage and current desnsity of the power distribution network
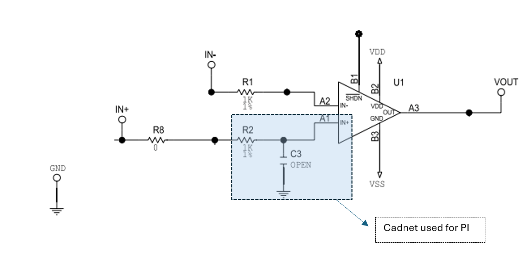
Here is the cadnet for power integrity analysis

pdnobj = powerDistributionNetwork(cadobj)
pdnobj =
powerDistributionNetwork with properties:
Network Parameters:
NetType: [1×1 cadnet]
Source: []
Load: []
Sense: []
PlatingThickness: []
DC Parameters:
NominalVoltage: []
LoadCurrent: []
DC Rules
MaxCurrentDensity: []
MinVoltage: []
MaxVoltage: []
MaxViaCurrent: []
To Analyse PDN:
Set Network Parameters: setNetworkParameters
Set DC Parameters: setDCParameters
Set DC Rules: setDCRules
Find the pins connected to the cadnet using the findComponents function
ConnPins = findComponents(cadobj)
ConnPins=4×5 table
ComponentIndex Refdes PinList ComponentType Part
______________ ______ _______ ______________ _______________
1 "C3" "1" {'Capacitor' } {'CAPGEN080' }
2 "R2" "2" {'Resistor' } {'RESGEN080' }
3 "TP1" "1" {'Test Point'} {'IOSINGLEPIN'}
4 "U1" "A1" {'IC' } {'IC6ANT' }
in = ConnPins.Refdes(2); out = [ConnPins.Refdes(1),ConnPins.Refdes(4)]; SensePin = ConnPins.Refdes(3);
Set the network parameters
setNetworkParameters(pdnobj,Source=in,Load=out,Sense=SensePin,PlatingThickness=0.0003);
powerDistributionNetwork with properties:
Network Parameters:
NetType: [1×1 cadnet]
Source: "R2"
Load: ["C3" "U1"]
Sense: "TP1"
PlatingThickness: 3.0000e-04
DC Parameters:
NominalVoltage: []
LoadCurrent: []
DC Rules
MaxCurrentDensity: []
MinVoltage: []
MaxVoltage: []
MaxViaCurrent: []
To Analyse PDN:
Set DC Parameters: setDCParameters
Set DC Rules: setDCRules
Set the DC parameters
setDCParameters(pdnobj,"LoadCurrent",[10e-3,10e-3],"NominalVoltage",2)
powerDistributionNetwork with properties:
Network Parameters:
NetType: [1×1 cadnet]
Source: "R2"
Load: ["C3" "U1"]
Sense: "TP1"
PlatingThickness: 3.0000e-04
DC Parameters:
NominalVoltage: 2
LoadCurrent: [0.0100 0.0100]
DC Rules
MaxCurrentDensity: []
MinVoltage: []
MaxVoltage: []
MaxViaCurrent: []
To Analyse PDN:
Set DC Rules: setDCRules
Set the DC rules
setDCRules(pdnobj,MinVoltage=1,MaxVoltage=2.00002,MaxCurrentDensity=4,MaxViaCurrent=2)
powerDistributionNetwork with properties:
Network Parameters:
NetType: [1×1 cadnet]
Source: "R2"
Load: ["C3" "U1"]
Sense: "TP1"
PlatingThickness: 3.0000e-04
DC Parameters:
NominalVoltage: 2
LoadCurrent: [0.0100 0.0100]
DC Rules
MaxCurrentDensity: 4
MinVoltage: 1
MaxVoltage: 2.0000
MaxViaCurrent: 2
Analyze voltage deviation
voltage(pdnobj);

Analyze current desnsity with direction enabled
current(pdnobj,Direction="on")
Version History
Introduced in R2025a
MATLAB Command
You clicked a link that corresponds to this MATLAB command:
Run the command by entering it in the MATLAB Command Window. Web browsers do not support MATLAB commands.
Seleziona un sito web
Seleziona un sito web per visualizzare contenuto tradotto dove disponibile e vedere eventi e offerte locali. In base alla tua area geografica, ti consigliamo di selezionare: .
Puoi anche selezionare un sito web dal seguente elenco:
Come ottenere le migliori prestazioni del sito
Per ottenere le migliori prestazioni del sito, seleziona il sito cinese (in cinese o in inglese). I siti MathWorks per gli altri paesi non sono ottimizzati per essere visitati dalla tua area geografica.
Americhe
- América Latina (Español)
- Canada (English)
- United States (English)
Europa
- Belgium (English)
- Denmark (English)
- Deutschland (Deutsch)
- España (Español)
- Finland (English)
- France (Français)
- Ireland (English)
- Italia (Italiano)
- Luxembourg (English)
- Netherlands (English)
- Norway (English)
- Österreich (Deutsch)
- Portugal (English)
- Sweden (English)
- Switzerland
- United Kingdom (English)