Trouble solving algebraic equations in differential-algebraic system. Can anybody help me with this?
6 visualizzazioni (ultimi 30 giorni)
Mostra commenti meno recenti

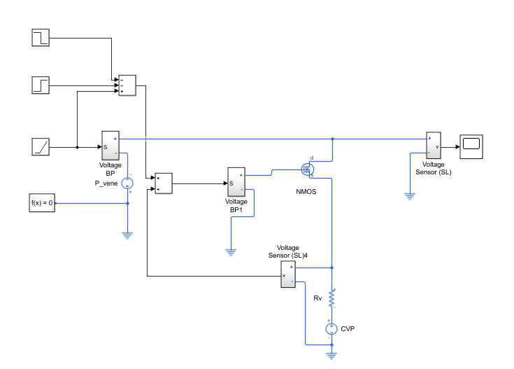
I got this error when I tried to simulate the curcuit.: An error occurred while running the simulation and the simulation was terminated Caused by: Trouble solving algebraic equations in differential-algebraic system. Singular iteration matrix encountered with step size 2.5546953107617278E-28 at time 0.0. Consider providing more accurate initial conditions. If the problem persists, check the model structure and values of parameters.
It works when i'm changing lowest '+' sign to '-' in the lowest summation box in the scheme. It is desirable to have a '+' sign instead of a '-' sign. Can anybody help me with this?
0 Commenti
Risposte (1)
Suhan
il 22 Feb 2018
Hi,
Your model may have some algebraic loops. One of the algebraic loops that I can see in your model is feedback signal from "voltage sensor" block to summation block, and there are a few more. Please refer to the following page to know more about algebraic loops and ways to resolve it: https://in.mathworks.com/help/simulink/ug/algebraic-loops.html
0 Commenti
Vedere anche
Community Treasure Hunt
Find the treasures in MATLAB Central and discover how the community can help you!
Start Hunting!